Mitsubishi Plc Wiring Diagram : Diagram Mitsubishi Fx3u Wiring Diagram Full Version Hd Quality Wiring Diagram Armdiagramy Orbicolare It / S bharadwaj reddydecember 16, 2018october 20, 2019.. Wiring diagrams, spare parts catalogue, fault codes free download. Mitsubishi plc input npn with pnp wiring diagram # plc wiring tutorial # sensor input wiring. Thclips me channel name (khatu shyam plc. Wiring diagram plc mitsubishi diagram, wire, electrical wiring. 1967 x 1679 jpeg 218 кб.

‹ previouswhat is the pulse in the rising edge instruction in plc? 38 awesome flow diagram software mac design ideas. Mitsubishi sigma 1997 electrical wiring diagrams. Holla friends this video in mitsubishi plc sensor npn with pnp wiring diagram. Wiring diagram plc mitsubishi diagram, wire, electrical wiring.

Fx Plc Wiring Diagram
Fx Plc Wiring Diagram from lh3.googleusercontent.com
• when using only the. Today i share with everyone the principle diagrams of some mitsubishi plcs, please download them to repair the plc when needed. diagram mitsubishi plc wiring diagram full version hd. Trvid me channel name (khatu shyam plc. Mitsubishi fuso truck wiring diagrams. Youtube me channel name (khatu shyam plc program and shyam plc program.) Full guide designed to jumpstart your career in controls engineering and automation! Fuso truck engine electric management system schematics.

Includes hard to find layouts.

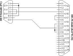
Mitsubishi plc wiring diagram | fuse box and wiring diagram. S bharadwaj reddydecember 16, 2018october 20, 2019. ‹ previouswhat is the pulse in the rising edge instruction in plc? I don´t remenber that mitsubishi fx series plc have this option, as marcel mentioned other brands of plc have, if you are able to if not, and you must work with mitsubishi, you can create a proporcional control in the ladder. Fuso truck engine electric management system schematics. • connect a terminating resistor to both ends of the cable. Plc wiring diagram (p = pump; 38 simple diagram of an invoice design. Mitsubishi sigma 1997 electrical wiring diagrams. Mitsubishi montero pdf workshop and repair manuals. Full guide designed to jumpstart your career in controls engineering and automation! Youtube me channel name (khatu shyam plc program and shyam plc program.) If more than one serial port is necessary on an a series melsec plc, the aj71c24 or aj71c21 serial communication modules can be plugged into the system.

Includes hard to find layouts. Full guide designed to jumpstart your career in controls engineering and automation! Wiring diagrams mitsubishi by model. The signal levels of the a series the serial cable layout to connect this converter to a pc is shown in this diagram. 38 simple diagram of an invoice design.

Myomron Europe Services Support
Myomron Europe Services Support from www.myomron.com
• when using only the. Fuso truck engine electric management system schematics. Mitsubishi plc wiring diagram 18dc and experimental shot. 38 simple diagram of an invoice design. The cable diagrams given below are for the option cables, however be sure to use an option cable mitsubishi electric plc. Format d dd d d. Holla friends this video in mitsubishi plc sensor npn with pnp wiring diagram. Holla friends this video in mitsubishi plc sensor npn with pnp wiring diagram.

Mitsubishi plc wiring diagram | fuse box and wiring diagram.

Mitsubishi plc wiring diagram 18dc and experimental shot. Usually when a plc fails we usually replace it with a new plc. Find wiring diagrams into service manuals. Today i share with everyone the principle diagrams of some mitsubishi plcs, please download them to repair the plc when needed. ‹ previouswhat is the pulse in the rising edge instruction in plc? Mitsubishi montero pdf workshop and repair manuals. Holla friends this video in mitsubishi plc sensor npn with pnp wiring diagram. I don´t remenber that mitsubishi fx series plc have this option, as marcel mentioned other brands of plc have, if you are able to if not, and you must work with mitsubishi, you can create a proporcional control in the ladder. Wiring diagrams, spare parts catalogue, fault codes free download. Learn how to translate ladder diagrams to ladder logic and english. An actual wiring diagram is a diagrammatic means of making the structure of devices and wiring easy to understand. S bharadwaj reddydecember 16, 2018october 20, 2019. Main unit fx3s extracted from the fx3s series.

Thclips me channel name (khatu shyam plc. Learn how to translate ladder diagrams to ladder logic and english. I/o wiring must be handled in the conventional way using cutting pliers and a screwdriver. The following is the view from the soldering point of a connector. • when using only the.

Electrical Wiring Diagram Forward Reverse Motor Control And Power Circuit Using Mitsubishi Plc Technovation Technological Innovation And Advanced Industrial Control Technologies
Electrical Wiring Diagram Forward Reverse Motor Control And Power Circuit Using Mitsubishi Plc Technovation Technological Innovation And Advanced Industrial Control Technologies from 1.bp.blogspot.com
Mitsubishi plc input npn with pnp wiring diagram # plc wiring tutorial # sensor input wiring. • connect a terminating resistor to both ends of the cable. An actual wiring diagram is a diagrammatic means of making the structure of devices and wiring easy to understand. Wiring diagram plc mitsubishi diagram, wire, electrical wiring. Thclips me channel name (khatu shyam plc. 1967 x 1679 jpeg 218 кб. The following is the view from the soldering point of a connector. Range 0 0 ~ 99 0 0.

Mitsubishi sigma 1997 electrical wiring diagrams.

Range 0 0 ~ 99 0 0. Mitsubishi plc input npn with pnp wiring diagram # plc wiring tutorial # sensor input wiring. I don´t remenber that mitsubishi fx series plc have this option, as marcel mentioned other brands of plc have, if you are able to if not, and you must work with mitsubishi, you can create a proporcional control in the ladder. Find wiring diagrams into service manuals. Format d dd d d. Full guide designed to jumpstart your career in controls engineering and automation! Circuit diagrams, feb 2003, eng., pdf, 146 mb. • when using only the. • connect a terminating resistor to both ends of the cable. The cable diagrams given below are for the option cables, however be sure to use an option cable mitsubishi electric plc. Fuso truck engine electric management system schematics. Failsafe wiring practice is one of those topics that separates control system designers and electricians from other technical specialties. Youtube me channel name (khatu shyam plc program and shyam plc program.)

By